Zum Hauptinhalt springen Zur Suche springen Zur Hauptnavigation springen
true

Gipskartondübel DuoBlade von Fischer

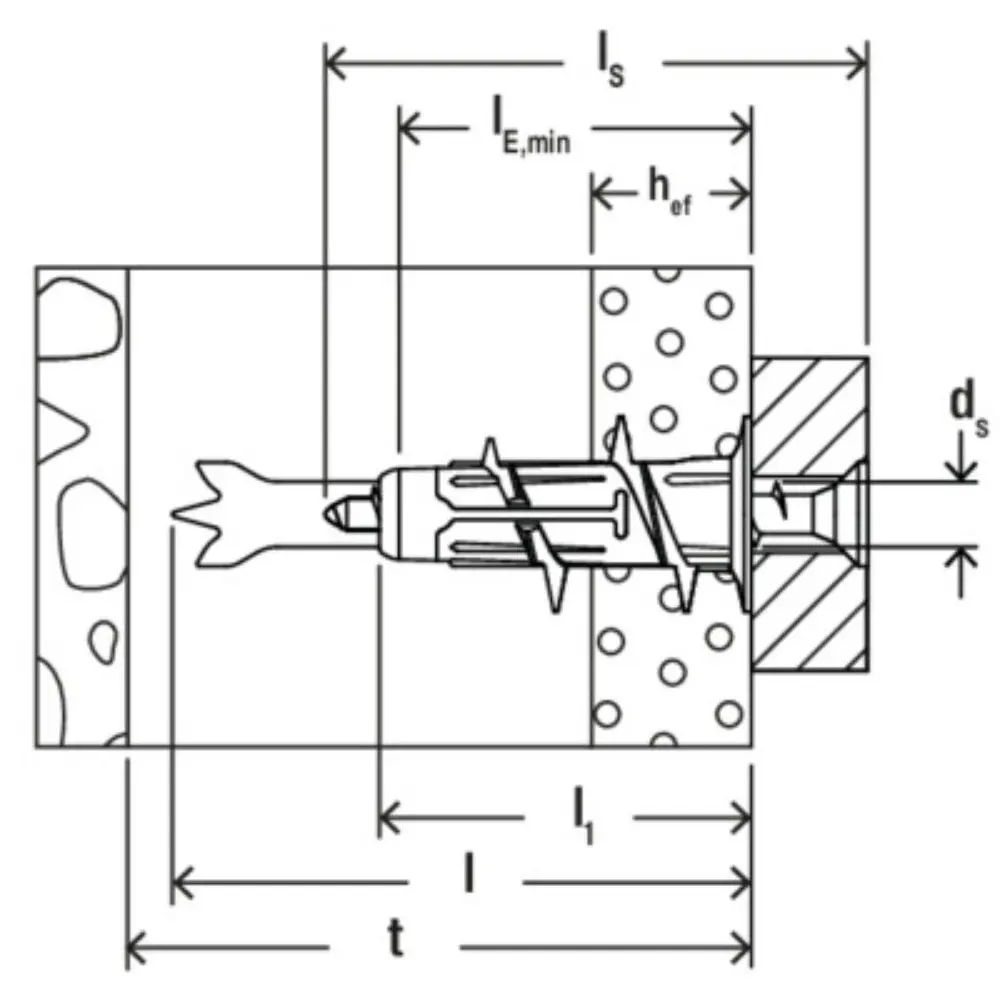
Der fischer DuoBlade ist Teil der innovativen DuoLine und besteht somit aus mehreren Komponenten für bestmögliche Performance. Die selbstbohrende Bohrspitze ermöglicht einen sauberen und effektiven Bohrvorgang. Der Dübel wird in der Vorsteckmontage mit einem Akku-Schrauber oder Schraubendreher oberflächenbündig in die Gipskartonplatten eingedreht. Der fischer DuoBlade ist abgestimmt auf Holz-, Blech- und Spanplattenschrauben von 4 bis 5 mm Stärke sowie unterschiedlichen Haken und Ösen. Dadurch ist er universell geeignet, um z.B. Rauchmelder, Vorhangstangen und Jalousien sicher und schnell zu befestigen. Der DuoBlade wird mit einem herkömmlichen PZ 2 Antrieb in die Gipskartonplatte gesetzt. Es wird kein Sonder-Setzgerät benötigt. Die selbstbohrende Bohrspitze ermöglicht einen sauberen und effektiven Bohrvorgang. Der Dübel wird in der Vorsteckmontage mit einem Akku-Schrauber oder Schraubendreher oberflächenbündig in die Gipskartonplatten eingedreht. Der fischer DuoBlade ist abgestimmt auf Holz-, Blech- und Spanplattenschrauben von 4 bis 5 mm Stärke sowie unterschiedlichen Haken und Ösen. Dadurch ist er universell geeignet, um z.B. Rauchmelder, Vorhangstangen und Jalousien sicher und schnell zu befestigen. Der DuoBlade wird mit einem herkömmlichen PZ 2 Antrieb in die Gipskartonplatte gesetzt. Es wird kein Sonder-Setzgerät benötigt.

Baustoff
  • Plattenbaustoff
Hersteller: fischer Deutschland Vertriebs GmbH  -  Klaus-Fischer-Straße 1 - 72178 Waldachtal -   -  www.fischer.de/de-de
Abstandsmontage: Nein
Antrieb: PZ2, Kreuzschlitz PZ, ohne
Ausführung: Ohne Schraube
Ausführung (etim): Gipskartondübel
Durchsteckmontage: Nein
Einschraubtiefe min. (mm): 28
Farbe: grau
Geeignet für Gipskarton: Ja
Geeignet für Holz: Nein
Gewicht netto (g): 154
Inhalt: 40
Last max. Gipsfaserkartonplatten 2x12,5 mm (kg): 20
Last max. Gipsfaserkartonplatten 9,5 mm (kg): 8
Last max. Gipsfaserkartonplatten 12,5 mm (kg): 10
Last max. Gipsfaserplatten 12,5 mm (kg): 34
Länge Dübel (mm): 44
Länge Dübel ohne Bohrspitze (mm): 29
Material: 2-Komponenten
Mit Rand: Ja
Mit Schraube: Nein
Nenn-ø Bohrer (mm): 8
Oberflächenschutz: sonstige
Produktlinie: DuoBlade
Produkttyp: 2-Komponenten-Gipskartondübel
Profi / DIY: DIY
Spanplatten-/Holzschrauben (mm): 4,0 - 5,0
Stärke Anbauteil max. (mm): 12
Stärke Anbauteil min. bis zur ersten Tragschicht (mm): 50
Stärke Platte min. (mm): 9,5
Stärke Platte min./max. (mm): 9,5 / 25
Tiefe Bohrloch min. (mm): 50
VdS zugelassen: Ja
Verankerungstiefe (mm): 9,5-25
Verpackungsvariante: Faltschachtel
Vorsteckmontage: Ja
Werkstoff: Kunststoff
Werkstoffgüte: sonstige
geeignet für Befestigung mit Kabelbinder: Nein
geeignet für Beton: Nein
geeignet für Gasbeton: Nein
geeignet für Hochlochziegel: Nein
geeignet für Kalksandstein: Nein
geeignet für Naturstein: Nein
geeignet für Porenbeton: Nein
geeignet für Sechskant-Holzschraube: Ja
geeignet für Spanplatte: Nein
geeignet für Vollziegel: Nein
passend für ø Schraube min./max. (mm): 4
Erweiterte Produktinformationen
EAN: 4048962323726
Hersteller-Nr: 545677
Produktinformation

Gipskartondübel DuoBlade von Fischer

Der fischer DuoBlade ist Teil der innovativen DuoLine und besteht somit aus mehreren Komponenten für bestmögliche Performance. Die selbstbohrende Bohrspitze ermöglicht einen sauberen und effektiven Bohrvorgang. Der Dübel wird in der Vorsteckmontage mit einem Akku-Schrauber oder Schraubendreher oberflächenbündig in die Gipskartonplatten eingedreht. Der fischer DuoBlade ist abgestimmt auf Holz-, Blech- und Spanplattenschrauben von 4 bis 5 mm Stärke sowie unterschiedlichen Haken und Ösen. Dadurch ist er universell geeignet, um z.B. Rauchmelder, Vorhangstangen und Jalousien sicher und schnell zu befestigen. Der DuoBlade wird mit einem herkömmlichen PZ 2 Antrieb in die Gipskartonplatte gesetzt. Es wird kein Sonder-Setzgerät benötigt. Die selbstbohrende Bohrspitze ermöglicht einen sauberen und effektiven Bohrvorgang. Der Dübel wird in der Vorsteckmontage mit einem Akku-Schrauber oder Schraubendreher oberflächenbündig in die Gipskartonplatten eingedreht. Der fischer DuoBlade ist abgestimmt auf Holz-, Blech- und Spanplattenschrauben von 4 bis 5 mm Stärke sowie unterschiedlichen Haken und Ösen. Dadurch ist er universell geeignet, um z.B. Rauchmelder, Vorhangstangen und Jalousien sicher und schnell zu befestigen. Der DuoBlade wird mit einem herkömmlichen PZ 2 Antrieb in die Gipskartonplatte gesetzt. Es wird kein Sonder-Setzgerät benötigt.

Baustoff
  • Plattenbaustoff
Hersteller: fischer Deutschland Vertriebs GmbH  -  Klaus-Fischer-Straße 1 - 72178 Waldachtal -   -  www.fischer.de/de-de
Abstandsmontage: Nein
Antrieb: PZ2, Kreuzschlitz PZ, ohne
Ausführung: Ohne Schraube
Ausführung (etim): Gipskartondübel
Durchsteckmontage: Nein
Einschraubtiefe min. (mm): 28
Farbe: grau
Geeignet für Gipskarton: Ja
Geeignet für Holz: Nein
Gewicht netto (g): 154
Inhalt: 40
Last max. Gipsfaserkartonplatten 2x12,5 mm (kg): 20
Last max. Gipsfaserkartonplatten 9,5 mm (kg): 8
Last max. Gipsfaserkartonplatten 12,5 mm (kg): 10
Last max. Gipsfaserplatten 12,5 mm (kg): 34
Länge Dübel (mm): 44
Länge Dübel ohne Bohrspitze (mm): 29
Material: 2-Komponenten
Mit Rand: Ja
Mit Schraube: Nein
Nenn-ø Bohrer (mm): 8
Oberflächenschutz: sonstige
Produktlinie: DuoBlade
Produkttyp: 2-Komponenten-Gipskartondübel
Profi / DIY: DIY
Spanplatten-/Holzschrauben (mm): 4,0 - 5,0
Stärke Anbauteil max. (mm): 12
Stärke Anbauteil min. bis zur ersten Tragschicht (mm): 50
Stärke Platte min. (mm): 9,5
Stärke Platte min./max. (mm): 9,5 / 25
Tiefe Bohrloch min. (mm): 50
VdS zugelassen: Ja
Verankerungstiefe (mm): 9,5-25
Verpackungsvariante: Faltschachtel
Vorsteckmontage: Ja
Werkstoff: Kunststoff
Werkstoffgüte: sonstige
geeignet für Befestigung mit Kabelbinder: Nein
geeignet für Beton: Nein
geeignet für Gasbeton: Nein
geeignet für Hochlochziegel: Nein
geeignet für Kalksandstein: Nein
geeignet für Naturstein: Nein
geeignet für Porenbeton: Nein
geeignet für Sechskant-Holzschraube: Ja
geeignet für Spanplatte: Nein
geeignet für Vollziegel: Nein
passend für ø Schraube min./max. (mm): 4
Ähnliche Produkte
Ähnliche Produkte

1 Stück
47,99 € 10,75 € %
UVP 72,00 € 15,97 € (33.35% gespart)
inkl. MwSt. exkl. MwSt.
Länge Dübel (mm): 65 | Nenn-ø Bohrer (mm): 10

1 Stück
28,64 € 10,75 € %
UVP 62,00 € 15,97 € (53.81% gespart)
inkl. MwSt. exkl. MwSt.
Nenn-ø Bohrer (mm): 10

1 Stück
37,49 € 10,75 € %
UVP 77,00 € 15,97 € (51.31% gespart)
inkl. MwSt. exkl. MwSt.
Länge Dübel (mm): 37 | Nenn-ø Bohrer (mm): 10

10 Stück
10,35 € 10,75 € %
UVP 16,50 € 15,97 € (37.27% gespart)
inkl. MwSt. exkl. MwSt.
Abmessung Schraube (mm): M5x55

1 Stück
15,53 € 10,75 € %
UVP 28,00 € 15,97 € (44.54% gespart)
inkl. MwSt. exkl. MwSt.

1 Stück
15,68 € 10,75 € %
UVP 25,00 € 15,97 € (37.28% gespart)
inkl. MwSt. exkl. MwSt.

1 Stück
27,95 € 10,75 € %
UVP 45,00 € 15,97 € (37.89% gespart)
inkl. MwSt. exkl. MwSt.

1 Stück
17,13 € 10,75 € %
UVP 28,00 € 15,97 € (38.82% gespart)
inkl. MwSt. exkl. MwSt.

1 Stück
42,99 € 10,75 € %
UVP 67,00 € 15,97 € (35.84% gespart)
inkl. MwSt. exkl. MwSt.

1 Stück
16,96 € 10,75 € %
UVP 22,00 € 15,97 € (22.91% gespart)
inkl. MwSt. exkl. MwSt.

1 Stück
49,99 € 10,75 € %
UVP 102,00 € 15,97 € (50.99% gespart)
inkl. MwSt. exkl. MwSt.

1 Stück
28,99 € 10,75 € %
UVP 44,00 € 15,97 € (34.11% gespart)
inkl. MwSt. exkl. MwSt.
Kunden kauften auch
Länge Dübel (mm): 25 | Nenn-ø Bohrer (mm): 5

1 Stück
3,47 € 10,75 € %
UVP 6,00 € 15,97 € (42.17% gespart)
inkl. MwSt. exkl. MwSt.
Länge (mm): 35 | ø (mm): 4

Inhalt: 500 Stück Grundpreis: 0,03 € / 1 Stck. 0,03 € / 1 Stck.

1 Packung
Varianten ab 8,69 €
10,79 € 10,75 € %
UVP 38,00 € 15,97 € (71.61% gespart)
inkl. MwSt. exkl. MwSt.
Länge (mm): 50

Inhalt: 200 Stück Grundpreis: 0,06 € / 1 Stck. 0,05 € / 1 Stck.

1 Packung
7,39 € 10,75 € %
UVP 25,00 € 15,97 € (70.44% gespart)
inkl. MwSt. exkl. MwSt.
Länge (mm): 40 | VPE (Stück): 200

Inhalt: 200 Stück Grundpreis: 0,02 € / 1 Stck. 0,02 € / 1 Stck.

1 Packung
Varianten ab 1,99 €
4,79 € 10,75 € %
UVP 16,00 € 15,97 € (70.06% gespart)
inkl. MwSt. exkl. MwSt.
Ähnliche Produkte

1 Stück
47,99 € 10,75 € %
UVP 72,00 € 15,97 € (33.35% gespart)
inkl. MwSt. exkl. MwSt.
Länge Dübel (mm): 65 | Nenn-ø Bohrer (mm): 10

1 Stück
28,64 € 10,75 € %
UVP 62,00 € 15,97 € (53.81% gespart)
inkl. MwSt. exkl. MwSt.
Nenn-ø Bohrer (mm): 10

1 Stück
37,49 € 10,75 € %
UVP 77,00 € 15,97 € (51.31% gespart)
inkl. MwSt. exkl. MwSt.
Länge Dübel (mm): 37 | Nenn-ø Bohrer (mm): 10

10 Stück
10,35 € 10,75 € %
UVP 16,50 € 15,97 € (37.27% gespart)
inkl. MwSt. exkl. MwSt.
Abmessung Schraube (mm): M5x55

1 Stück
15,53 € 10,75 € %
UVP 28,00 € 15,97 € (44.54% gespart)
inkl. MwSt. exkl. MwSt.

1 Stück
15,68 € 10,75 € %
UVP 25,00 € 15,97 € (37.28% gespart)
inkl. MwSt. exkl. MwSt.

1 Stück
27,95 € 10,75 € %
UVP 45,00 € 15,97 € (37.89% gespart)
inkl. MwSt. exkl. MwSt.

1 Stück
17,13 € 10,75 € %
UVP 28,00 € 15,97 € (38.82% gespart)
inkl. MwSt. exkl. MwSt.

1 Stück
42,99 € 10,75 € %
UVP 67,00 € 15,97 € (35.84% gespart)
inkl. MwSt. exkl. MwSt.

1 Stück
16,96 € 10,75 € %
UVP 22,00 € 15,97 € (22.91% gespart)
inkl. MwSt. exkl. MwSt.

1 Stück
49,99 € 10,75 € %
UVP 102,00 € 15,97 € (50.99% gespart)
inkl. MwSt. exkl. MwSt.

1 Stück
28,99 € 10,75 € %
UVP 44,00 € 15,97 € (34.11% gespart)
inkl. MwSt. exkl. MwSt.
Kunden kauften auch
Länge Dübel (mm): 25 | Nenn-ø Bohrer (mm): 5

1 Stück
3,47 € 10,75 € %
UVP 6,00 € 15,97 € (42.17% gespart)
inkl. MwSt. exkl. MwSt.
Länge (mm): 35 | ø (mm): 4

Inhalt: 500 Stück Grundpreis: 0,03 € / 1 Stck. 0,03 € / 1 Stck.

1 Packung
Varianten ab 8,69 €
10,79 € 10,75 € %
UVP 38,00 € 15,97 € (71.61% gespart)
inkl. MwSt. exkl. MwSt.
Länge (mm): 50

Inhalt: 200 Stück Grundpreis: 0,06 € / 1 Stck. 0,05 € / 1 Stck.

1 Packung
7,39 € 10,75 € %
UVP 25,00 € 15,97 € (70.44% gespart)
inkl. MwSt. exkl. MwSt.
Länge (mm): 40 | VPE (Stück): 200

Inhalt: 200 Stück Grundpreis: 0,02 € / 1 Stck. 0,02 € / 1 Stck.

1 Packung
Varianten ab 1,99 €
4,79 € 10,75 € %
UVP 16,00 € 15,97 € (70.06% gespart)
inkl. MwSt. exkl. MwSt.